قنطرة اتش (H-Bridge) عبارة عن دائرة إلكترونية بسيطة تُستعمل من أجل التحكم في إتجاه دوران محرك تيار مستمر (DC motor)، وهي تُستعمل عادة مع أحد المتحكمات الدقيقة (مثل الأردوينو).
مبدأ عمل قنطرة إتش
بإمكان محركات التيار المستمر الدوران في إتجاهين مختلفين، إلى الأمام أو إلى الخلف، وهذا حسب طريقة توصيل المحرك مع القطبين السالب والموجب لمصدر التغذية. تمثل الدائرة التالية الدائرة العامة الخاصة بقنطرة اتش:
إذا ما قمنا بغلق القاطعتين S1 و S4، فإننا نكون قد وصلنا الجانب الأيسر للمحرك مع مصدر التغذية والجانب الأيمن للمحرك مع المأخذ الأرضي.
أما إذا ما قمنا بغلق القاطعتين S2 و S3، فإننا نكون قد وصلنا الجانب الأيمن للمحرك مع مصدر التغذية والجانب الأيسر للمحرك مع المأخذ الأرضي.
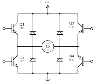
دائرة قنطرة اتش
نستطيع بناء دائرة قنطرة اتش (H-bridge circuit) باستعمال أربعة ترانزستورات، حيث أننا سنستعمل كل ترانزستور كمفتاح أو قاطعة كهربائية، ليكون شكل الدائرة كالتالي:
نعلم أن الترانزستور يمكنه العمل كمفتاح، لذا نستطيع التحكم باتجاه دوران المحرك عبر فتح وغلق الترانزستورات المشكلة للدائرة وهذا كما أسلفنا الذكر بمساعدة أحد المتحكمات الدقيقة كالأردوينو.
كيف تختار الترانزستور المناسب
الترانزستور الذي ستقوم باختياره يجب أن يكون:
- يستطيع تحمل شدة التيار المار: وهذه هي أهم نقطة يجب الإنتباه لها، حيث يجب أن يكون الترانزستور قادرًا على تحمل التيار الذي يسحبه المحرك وهذا كي لا يحترق.
- استعمال ترانزستوريْن PNP في أعلى الدائرة: كما نلاحظ في الدائرة أعلاه فإننا قمنا باستخدام ترانزستورين PNP في الأعلى وترانزستورين NPN في الأسفل. إننا نعلم أنَّ ما يجعل الترانزستور يُمرر التيار أو لا هو فرق الكمون بين القاعدة (base) والباعث (emitter)، حيث أننا بهذا نستطيع إستعمال مصدر تغذية له فولطية أعلى من الفولطية المُستخدمة من أجل التحكم في قاعدة الترانزستور.
- أن تكون الفولطية Vce أقل ما يمكن
إضافة دايودات حماية إلى الدائرة
من الآثار الجانبية للمحرك أنه يقوم بتوليد تيَّار كهربائي، فعند تعطيل جميع الترانزستورات من أجل إيقاف دوران المحرك، يجب على هذه الطاقة التي قام بتوليدها أن تتحرر بشكل ما.
إذا ما قمنا بإضافة 4 دايودات كما هو موضح في الدائرة التي بالأسفل فسنقوم بعمل مسار يسمح للتَّيار الكهربائي بتحرير هذه الطاقة مما يمنع الفولطية من الإرتفاع وبالتالي حماية الترانزستورات من التلف.





إرسال تعليق